admin
-
国内首条二维半导体工程化示范线投运:计划今年6月正式通线
快科技1月8日消息,“上海市先导产业促进中心”公众号发文,国内首条二维半导体工程化示范工艺线在上海投入运行。 该工艺线由复旦大学孵化培育的产学研企业“原集微”创建,预计于6月进入通…
-
原REDMI总经理王腾开始创业:新公司“今日宜休”已成立!专注睡眠健康产品
快科技1月8日消息,原小米中国区市场部总经理、REDMI品牌总经理王腾在去年9月被辞退,之后多次被传出去友商的消息,但都被否认。 今天王腾在正式汇报了最近的情况:从小米离开后开始筹…
-
拉美一架波音767遭遇严重硬着陆:门被撞掉 轮胎全爆
快科技1月8日消息,据媒体报道,昨晚拉塔姆航空LA2482航班在亚特兰大机场遭遇严重硬着陆。 该航班为一架波音767-300ER飞机,其从秘鲁利马飞往亚特兰大,在26R跑道完成着陆…
-
台积电当场看傻!马斯克宣布建造2nm万亿级晶圆厂:无需洁净室 能在里面抽雪茄
快科技1月8日消息,埃隆·马斯克又“疯了”。 众所周知,晶圆厂要保证良率,必须要设立洁净室,工作人员必须穿防护服才能入内,以免造成污染。 但马斯克偏偏反其道而行之,他认为现代晶圆厂…
-
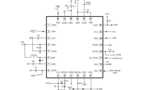
MPS推出车规级TFT LCD偏压驱动IC,可广泛适用多种车载显示屏场景
上海2026年1月8日 /美通社/ — 近日,MPS芯源系统(NASDAQ: MPWR)发布车规级薄膜晶体管液晶显示器(TFT LCD)偏压驱动器 —— MPQ5613…
-
携程商旅「招采通」上线 ,全面升级协议酒店采购管理模式
上海2026年1月8日 /美通社/ — 近日,携程商旅宣布推出一站式企业协议资源智能采购与管理平台——「招采通」,为百万企业客户提供采购分析、履约监督、数据复盘的全链路…
-
雷军回应网传小米SU3渲染图:肯定是假的!车型规划都保密
快科技1月8日消息,近期有网传“小米SU3”的消息,甚至还曝光了渲染图,采用两厢设计,号称定位10万级,该车迅速引发关注,包括外观、定价等。 不过,雷军本人昨天在直播中直接进行了辟…
-
满血复活再战一年!iPhone 13系列半价换电池活动来了:仅需399元
快科技1月8日消息,日前,多家苹果授权服务商宣布推出iPhone 13系列半价换电池活动,活动将持续至4月30日。 活动期间,iPhone 13、iPhone 13 mini、iP…
-
开售即享国补!一加Turbo 6系列今晚登场:同档最强Turbo手机
快科技1月8日消息,一加Turbo 6系列将在今天19点正式发布,该机的大部分参数提前揭晓。 这次一加和京东方联合打造了全新的165Hz超高刷东方屏,一加中国区总裁李杰称一加Tur…
-
专挑货拉拉等营运车辆下手!出租车司机碰瓷近百次获利34万被捕
快科技1月8日消息,近日,成都公安在交通管理专场新闻通气会上通报一起典型 “碰瓷” 诈骗案: 巡游出租车司机杨某,在2025年前10个月内,刻意制造90余起交通事故,专挑网约车、货…